Modular Plant Design - Tuyauterie Industrielle
Modular Plant Design est une suite de logiciels de tuyauterie industrielle, édités par Siemens Software, qui permettent de concevoir rapidement le Schéma PID en 2D, le réseau de tuyauterie en CAO 3D et le plan isométrique pour pré fabrication en atelier et montage sur site.
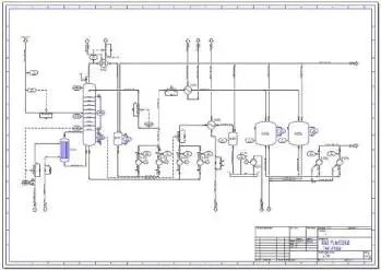
Le logiciel P&ID Design permet de dessiner le schéma PID représentatif du procédé, des tuyauteries et de l’instrumentation en vous appuyant sur une bibliothèque de symboles.
Le logiciel Piping Design permet de concevoir le réseau de tuyauterie en CAO 3D puis les plans isométriques. La construction du réseau se fait de la manière suivante, Vous allez :
- Récupérer, au moyen du module “To do list », l’information enregistrée lors du dessin du schéma PID.
- Utiliser ensuite une bibliothèque de composants proposée avec le logiciel qui pourra être enrichie en fonction des besoins spécifiques.
- Insérer ensuite d’une manière approprié les différents composants : tuyaux, coudes, intersections, tés, brides, joints et autres…en vous appuyant sur la notion de classes de tuyauteries.
La dernière étape va permettre, toujours avec le logiciel Piping Design, la création d’une manière automatisée du plan isométrique. Celui ci sera utilisé pour réaliser la fabrication puis le montage des lignes de tuyauterie.
Prérequis concernant les licences
Les logiciels PID Design et Piping Design n’exigent aucun prérequis. Il est possible d’utiliser Piping Design indépendamment de PID Design. Il est cependant recommandé de les mettre en oeuvre en association l’un avec l’autre pour en tirer le meilleur profit. Le module Piping Design incorpore un « moteur » CAO 3D. Vous pouvez ainsi concevoir votre tuyauterie en 3D sans devoir faire appel à une licence CAO supplémentaire.
Webinaires Modular Plant Design
Nous vous proposons des webinars de présentation des logiciels Modular Plant Design. Le Webinar commence avec une présentation des principes de la solution. Il se poursuit ensuite avec une démonstration des deux logiciels PID Design et Piping Design. Sa durée est de 50 minutes. Les dates des prochains webinars sont indiquées par le formulaire ci contre dans la section « Choisissez votre Webinar ».
Inscrivez vous à nos webinaires : jeudi 3 février et lundi 6 mars
Dessin du schéma PID, de la tuyauterie en CAO 3D et du plan isométrique

Schéma PID - Logiciel PID Design
Conception d’un schéma PID : procédé, tuyauteries, instrumentation en conformité avec les normes en vigueur de l'industrie

Tuyauterie CAO 3D - Logiciel Piping Design
Mise en 3D du modèle 2D sur la base du schéma PID, des bibliothèques d’éléments et des classes des tuyauteries

Isométrique - Logiciel Piping Design
Edition d’une manière automatisé du plan isométrique nécessaire pour la préfabrication des tuyauteries puis du montage sur site
Le Logiciel P&ID Design est le premier des deux modules de la solution Modular Plant Design. Il permet de concevoir et de dessiner le schéma PID représentatif du procédé.
- La fonction « To-Do list » transmet les informations enregistrées dans le schéma PID vers le logiciel Piping Design qui réalise la conception en CAO 3D.
- Piping Design permet de définir le cheminements des lignes de tuyauterie et de les connecter ensemble. Les lignes peuvent ensuite être facilement modifiées.
- L’ajout des composants comme les coudes, les intersections en « T », les brides, les raccords, les joints se fait automatiquement grâce au paramétrage des classes de tuyauteries.
- La bibliothèque de composants “Standard Parts” proposée avec le logiciel peut être complétée selon vos besoins spécifiques.
- Vous pouvez générer facilement une liste de tous les composants.
- le module Isométric basé sur Isogen génère le plan isométrique d’une manière automatique à partir du modèle conçu en CAO 3D.
- La génération d’une isolation autour de la tuyauterie se fait très facilement.
La solution Modular Plant Design comprend un ensemble de logiciels proposés à des coûts abordables, faciles à déployer, à maintenir et à utiliser. La solution permet d’intégrer l’ensemble des processus de conception : schémas PID, skids et tuyauterie industrielle en CAO 3D puis plans isométriques. Elle permet d’y intégrer aussi les processus de conception mécanique et électrique, simulation, fabrication et la documentation technique.
Flomaster
Flomaster pour Solid Edge est un logiciel de simulation de dynamique des fluides 1D. Flomaster récupère automatiquement la géométrie CAO 3D Solid Edge créée par Modular Plant Design. Il permet ensuite aux utilisateurs de modéliser et analyser facilement l’écoulement des fluides, les pertes de charge et les échanges de chaleur dans une ligne de tuyauterie. S
Smap3D Plant Design
Smap3D a été développé au cours des 20 dernières années par la société CAD Partner en Allemagne. La solution a été reprise en 2019 par la société Smap3D Plant Design issue de CAD Partner et intégrée à la même époque à l’offre logiciel de Siemens Industry Software que nous vous proposons.
La solution s’adresse à tous les ingénieurs d’études, projeteurs et bureaux d’études dans les métiers de l’installation générale, tuyauterie industrielle, maintenance industrielle et travaux neufs. Les secteurs industriels concernés comprennent ceux de la chimie, pétrochimie, sidérurgie, construction et réparation navale, traitements des eaux, nucléaire, industrie pharmaceutique, vinicole et connexes.
Nous vous invitons à visiter nos pages spécifiques aux logiciels PID Design et Piping Design. N’hésitez pas à nous contacter au 04 42 94 67 67.