schéma p&id, tuyauterie 3d, plan isométrique

P&ID - Piping and Instrumentation Diagram

Le schéma P&ID (Process, Piping and Instrumentation Diagram) définit d’une manière précise tous les éléments du procédé industriel en conformité avec les normes applicables. Vous pourrez le construire d’une manière intuitive en vous appuyant sur une bibliothèque de Symboles P&ID que vous pouvez enrichir.

Le P&ID vous permet d’automatiser le dessin du procédé industriel et de gérer l’instrumentation et tous les éléments du procédé dans un seul environnement. Les feuilles de dessin (dessin industriel), les feuilles de projet et les rapports sont basés sur des modèles totalement configurables. Vous concentrez votre attention sur la conception et vous laissez le logiciel PID prendre en charge les tâches répétitives.

le logiciel prend en compte les exigences des standards ANSI/ISA, DIN et EN ISO et se connecte de manière transparente à Solid Edge Piping Design. Les informations renseignées dans PID Design peuvent être utilisées dans le modèle 3D pour fournir une solution de conception d’usine modulaire complète.

piping and design diagram - digicad

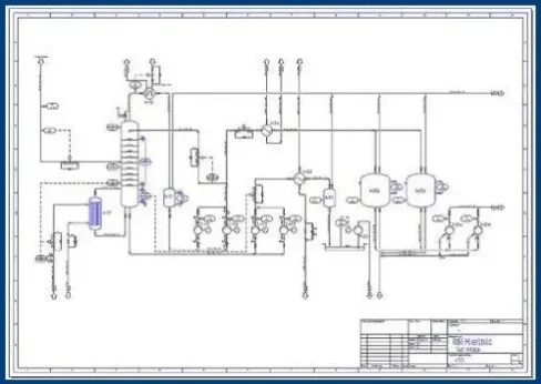
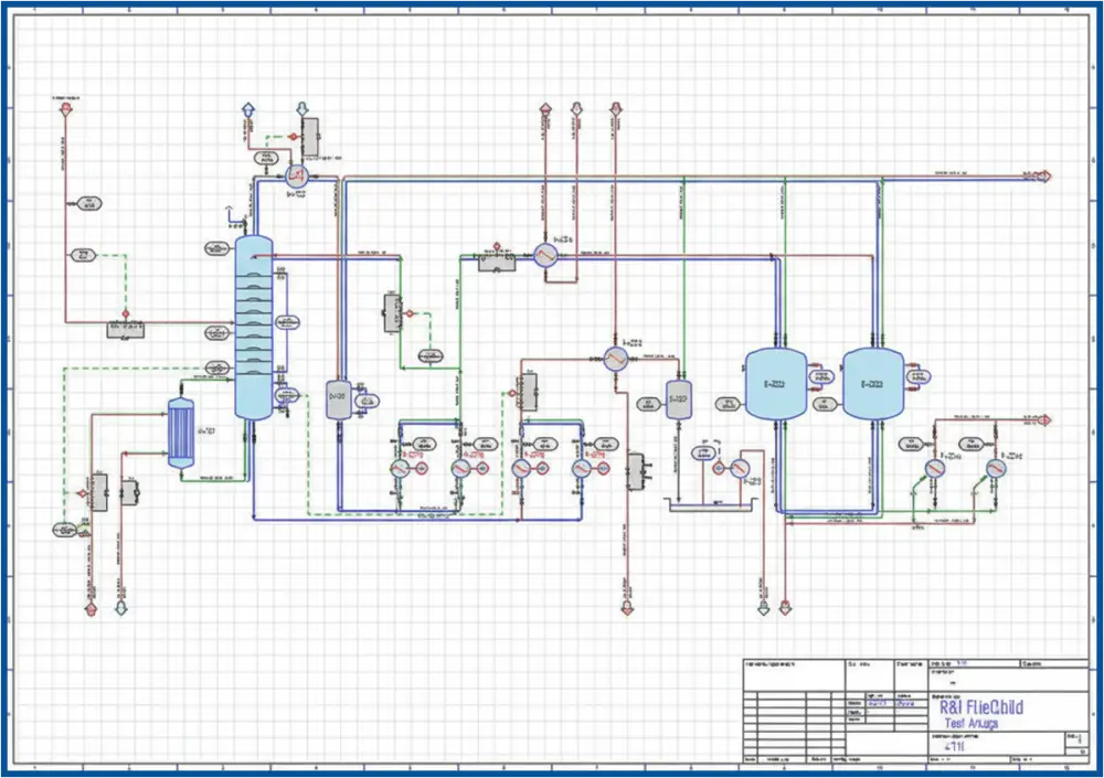
P&ID (Schéma tuyauterie et instrumentation)

Les différents composants (conteneurs, robinetterie, vannes, pompes, raccords, brides, réservoirs, actionneurs, contrôleurs, composants électriques, hydrauliques…) ne sont pas dessinés à l’échelle mais sont représentés sous forme de symboles. Les réseaux de tuyauteries sont représentés par des lignes connectées définies par le diamètre, le numéro d’identification (TAG number), les classes des tuyauteries.

Le logiciel permet de construire le schéma et le plan P&ID très facilement. On trace une ligne en indiquant son début et sa fin. Une option permet de sécuriser son placement en autorisant uniquement le traçage entre deux composants. Il est possible de rajouter ou de supprimer un composant sur une ligne existante. Dans ce cas, la ligne va se mettre à jour automatiquement et fermer l’espace créé. Les flèches indiquant le sens du flux peuvent être activées ou désactivées. Si le sens du flux est inversé, les composants présents sur la ligne concernée sont automatiquement orientés en conséquence. Une ligne contient des informations qui doivent lui être associées juste après son tracé (numéro d’identification, classe de tuyaux, diamètre, etc..). Toutes ces informations peuvent être consultées à partir des schémas pid. Les lignes peuvent également être modifiées selon le besoin (allongées, raccourcies, déplacées, changées de couleur).

Contrôles de conception

Les « Contrôles de conception » peuvent être utilisés pour réviser le schéma P&ID, la faisabilité ainsi que la justesse du projet dans son ensemble. Cela inclut entre autres :

  • Le contrôle de la direction de l’écoulement des fluides.
  • La vérification des numéros d’identification en double ou manquant.
  • Le contrôle de la conformité des diamètres aux points de raccordement.

Bibliothèque de symboles P&ID

Schéma tuyauterie et Instrumentation
Piping and Instrumentation Diagram

Les symboles P&ID sont disponibles au sein d’une bibliothèque, aux formats DXF ou DWG. Vous pouvez aussi utiliser le générateur de symboles pour en créer d’autres spécifiques à votre entreprise et les intégrer dans la bibliothéque existante (ISO/DIN, ANSI/ISA).  Les symboles P&ID sont évolutifs, ils peuvent s’aligner grâce à une grille d’accrochage et interagir de manière logique. L’orientation des symboles est entièrement automatique. Le numéro d’identification et les autres caractéristiques s’affichent automatiquement.

Informations intrinsèques liées aux composants

Des composants de toutes sortes spécifiques à une société ou à un projet peuvent être ajoutés à la bibliothèque de symboles du logiciel P&ID. Ensuite, lorsque le composant est inséré dans un projet, toutes les propriétés relatives à celui-ci sont attachées à son symbole. Les numéros d’identification des composants s’affichent également automatiquement. Toutes les informations disponibles sont visibles à partir du dessin.

symboles schéma tuyauterie et instrumentation

Vidéo - Logiciel PID (P&ID ou Piping and Instrumentation Diagram)

Pour aller plus loin avec Solid Edge Piping Design

Le Logiciel Solid Edge Piping Design est le second composant de la suite Modular Plant Design. Il s’appuie sur l’information enregistrée par les Schémas P&ID et permet de concevoir le réseau de tuyauterie en CAO 3D puis le plan isométrique tuyauterie nécessaire pour la préfabrication et le montage sur site. Nous vous invitons à cliquer sur le lien ci avant pour en savoir plus.

Webinaire PID Piping Design

Nous vous proposons des webinars de présentation de la solution globale « Modular Plant Design » soit les logiciels PID Design, Piping Design et Plans Isométriques. Le webinaire dure 50 minutes, vous pouvez vous y inscrire avec le formulaire ci dessous qui vous permet de choisir la date susceptible de vous convenir au mieux.










    Retour en haut